产品详情

一、产品概述
WZ/PK铂热电阻温度变送器由进口热敏元件和集成放大电路组成,铂热电阻温度放大器是由基准单元、RN转换单元、线性电路、反接保护、限流保护、V/转换单元等组成。测温热电阻信号经放大器转换放大后,再由线性电路对温度与电阻的非线性关系进行补偿,经V/转换电路后输出一个被测温度成线性关系的二线制4-20mA电流信号或者三线制1-10V电压信号:该变送器性能稳定、体积小、重量轻、频响高、安装方便广泛应用于石油、化工、热电、冶金、机械、食品医疗等工业和科研领域。
二、产品特点
1.高精度冷端补偿电路,全温度范围绝对误差+0.5℃;
2.高灵活性:多种过程连接形式和延长颈类型,支持用户自定义热电阻插入深度;
3.高精度测量:采用符合IEC 60751(A级或更高等级)的Pt100温度传感器;
4.采用环氧树脂密封,耐震耐湿、适合在恶劣的环境中使用;
5.先进的非线性矫正电路,输出信号与被测温度成线性关系;
6.内置漂移自校正系统,在整个温度测量范围内保证精度;
7.独有的抗干扰电路设计,保证变送器在干扰环境下安全可靠工作;
8.压簧式抗振、抵近测量设计可选,稳定性好、精度高。
三、应用领域
1.航空、航天领域;
2.航海及造经行业;
3.石油、化工行业;
4.发电厂、核电站;
5.潜油电泵配套设备;
6.工业现场过程温度控制;
7.高精度数字温度校验仪,
四、产品扩展/附件
1.插入深度:10mm-2000mm:
2探头外径:min.3mm max.100mm;
3.传感器冷端耐温达250℃;
4.1xPT100、2xPT100、热电阻或热电偶自由选择;
五、技术参数
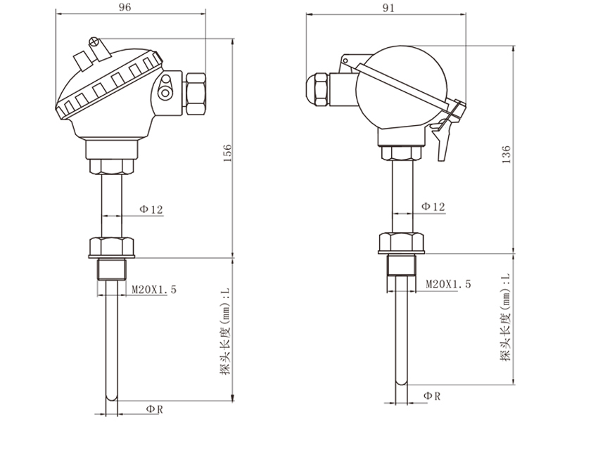
六、外形尺寸
七、接线图




