产品详情

一、产品概述
T33智能数显平膜压力变送器是食品、饮料、医药和生物工程等行业专用的卫生型压力变送器。该变送器采用全卫生级不锈钢结构加高亮液晶显示模块设计,显示模块支持270°转,数字和百分比双显示;过程连接部分均采用整体焊接抛光工艺,无卫生死角,相关卫生设计符合FDA标准。该变送器敏感元件全部采用进口硅微融芯体,直接测量各种生产过程中0-150℃、-0.1-15MPa范围内的液体、气体和蒸汽压力,性能稳定,测量精度高;整机经过标准工艺组装和严格测试,达到同类原装进口产品的技术指标并兼具一致性,在工业控制过程中具有稳定可靠、兼容互换等特点。
二、产品特点
1.全卫生级不锈钢结构加5位半高亮液晶显示屏设计;
2.过程连接:支持多种国际标准过程连接方式;
3.电气连接:丰富的电气连接,分别满足防水、
4.防尘、防腐、防压等需求;
5.卫生设计符合EHEDG、FDA及GMP标准;
6.接液材质表面粗糙度最高可达Ra0.4;
7.智能数字放大器,测量精度高、抗干扰能力强。
三、卫生型设计
1.传感器可作为一个卫生且易消毒的测量点;
2.过程连接部分均采用整体焊接抛光工艺;
3.CIP-SIP清洗,耐高温达150℃;
4.接液材质均为316L卫生级不锈钢材质,粗糙度 Ra《0.8.
四、应用领域
1.工业自动化控制和检测系统;
2.CIP-SIP过程控制的压力测量;
3.热电、冶金、机械、轻工行业;
4.各种管道、容器内的压力测量;
5.科研院所、实验室压力校验等;
6.食品、饮料、制药等卫生领域和精纸化工行业测量;
7.液压、船舶、柴油机行业;
8.热介质、腐蚀性介质、高温粘稠介质或者结晶性介质测量;
9.清洁能源、水处理及楼宇自控领域。
五、技术参数

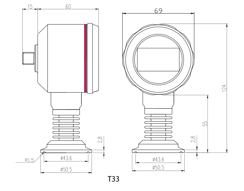
六、外形尺寸
七、安装示意图
八、接线图




